产品特点::
> 1、罐式转子类型;
> 2、具有3档步进速度选择开关功能。
> 1、罐式转子类型;
> 2、具有3档步进速度选择开关功能。
产品特点:
泵是罐式转子类型,例如泵和电机形成一个不带有轴封,只带有两个用于密封的垫圈的集成装置。轴承被输送液体润滑。 泵具有 3档 步进速度选择开关。
该泵可以有以下几点特征:
陶瓷泵轴和径向轴承
石墨轴向轴承
不锈钢转子筒,垫板和转子包层
耐腐蚀叶轮,复合材料, PES/PP
铸铁泵壳
产品应用:
壁挂锅炉供地暖
暖气散热片供热系统
热泵机组供热循环
供暖系统混水中心循环
其他家庭供热系统
性能曲线

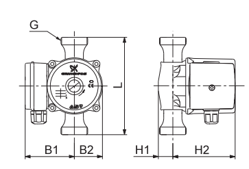
技术参数(产品尺寸)


在线留言
金年会金字招牌至上是国际知名品牌机械和流体设备的代理商,主要经营台湾捷埃斯水泵、丹麦格兰富水泵、德国威乐水泵、台湾华乐士水泵、美国利佰特提升泵等品牌产品。公司致力于为民用、商用、工业用等众多领域客户提供专业的机械、流体设备和技术咨询服务。高性价比的产品、热情及时的服务,使得金年会金字招牌至上在流体设备领域中成为模范企业,在水处理、环保、暖通、空调、机械等行业赢得的了良好声誉。
扫描手机版
版权所有 金年会金字招牌至上