产品特点::
> 1、泵体采用工程塑胶整体设计,接液部位为不生锈材质确保饮用水卫生;
> 2、马达装设有温度过载保护装置可防止马达烧毁。
> 1、泵体采用工程塑胶整体设计,接液部位为不生锈材质确保饮用水卫生;
> 2、马达装设有温度过载保护装置可防止马达烧毁。
产品应用范围:
本系列加压泵浦,应用于一般住家不含杂质的清水加压、输送。
一般家用如: 1、公寓、住宅给水
产品特点:
1. 水机本体采用工程塑胶整体设计,接液部位为不生锈材质制成。
2. 采欧美进口食用容器塑胶原料,确保使用水质安全卫生。
3. 采压力开关控制,当水压不足时泵浦自行启动增 压,水压足够时自动停机。
4. 马达装设有温度过载保护装置可防止马达烧毁。
5. 内置逆止阀。
6. 可选择搭配水温温度控制开关,可防止吸入水源 不足或出水口闭塞时加压机空转所造成的机构损坏
使用条件
环境温度:Max. +40°C
液体温度:+4°C~+40°C
吸入扬程:Max. 6 m
入口压力:须小于压力开关(ON)之设定压力
形式编码

性能曲线

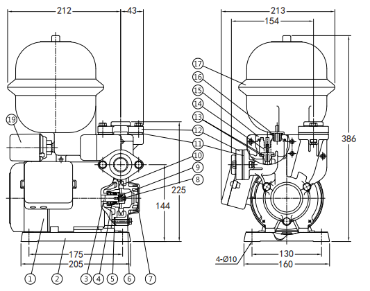
技术参数及尺寸


零件表

在线留言
金年会金字招牌至上是国际知名品牌机械和流体设备的代理商,主要经营台湾捷埃斯水泵、丹麦格兰富水泵、德国威乐水泵、台湾华乐士水泵、美国利佰特提升泵等品牌产品。公司致力于为民用、商用、工业用等众多领域客户提供专业的机械、流体设备和技术咨询服务。高性价比的产品、热情及时的服务,使得金年会金字招牌至上在流体设备领域中成为模范企业,在水处理、环保、暖通、空调、机械等行业赢得的了良好声誉。
扫描手机版
版权所有 金年会金字招牌至上