产品特点::
> 1、多级浸入式离心泵,泵与马达同轴设计;
> 2、主要动作零件采不锈钢结构设计,确保无腐蚀操作。
> 1、多级浸入式离心泵,泵与马达同轴设计;
> 2、主要动作零件采不锈钢结构设计,确保无腐蚀操作。
产品应用范围:
TPHK系列多段浸水式离心泵浦,设计用于工业用途 ,主要专用于工具机之冷却液体加压泵送。 适用液体包括水溶液,低黏稠度,无爆炸性轻油,中性之冷却 / 润滑液。
泵构造:
多级浸入式离心泵,浸水自吸式,泵与马达同轴设计, 叶轮安装在马达延长之轴心上,主要动作零件采不锈 钢结构设计。
使用环境
环境温度 : Max. +40°C
液体温度 : +0°C ~ +90°C
工作压力 : Max. 10 kg/cm²
浸水高度 : Min. 40mm
形式编码

马达
防护等级 : IP54
绝缘等级 : F.
频率 : 50 / 60 Hz
额定转速 : 2900 / 3500 rpm
电压范围 :

材质表



TPHK2T性能曲线


TPHK2T技术参数及尺寸


TPHK4T性能曲线


TPHK4T技术参数及尺寸


TPHK8T-E性能曲线


TPHK8T-E技术参数及尺寸


TPHK12T性能曲线


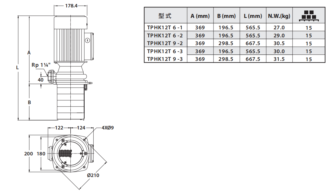
TPHK12T技术参数及尺寸


在线留言
金年会金字招牌至上是国际知名品牌机械和流体设备的代理商,主要经营台湾捷埃斯水泵、丹麦格兰富水泵、德国威乐水泵、台湾华乐士水泵、美国利佰特提升泵等品牌产品。公司致力于为民用、商用、工业用等众多领域客户提供专业的机械、流体设备和技术咨询服务。高性价比的产品、热情及时的服务,使得金年会金字招牌至上在流体设备领域中成为模范企业,在水处理、环保、暖通、空调、机械等行业赢得的了良好声誉。
扫描手机版
版权所有 金年会金字招牌至上