产品特点::
> 1、泵浦为单加压室、单叶轮的直立式浸水离心泵浦;
> 2、泵浦与马达同轴设计,运行平稳,安全可靠。
> 1、泵浦为单加压室、单叶轮的直立式浸水离心泵浦;
> 2、泵浦与马达同轴设计,运行平稳,安全可靠。
产品应用范围:
TPAK系列冷却液循环泵,是专门设计用于冷却液 、润滑剂等泵送喷洒及循环。应用于各式车、铣、 刨、磨、锯等工具机上使用。 适用液体例如水,冷却剂,轻油和其它干净、低粘
度、无燃性、无爆炸性液体
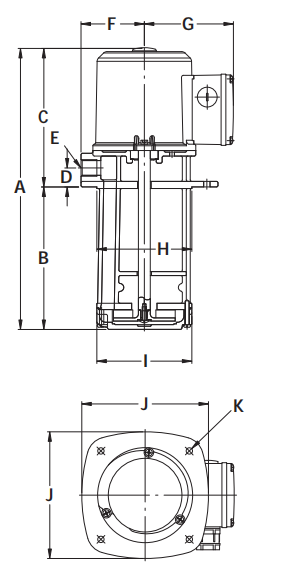
泵构造:
泵浦为单加压室、单叶轮的直立式浸水离心泵浦, 泵浦与马达同轴设计,叶轮安装在马达延长之轴端上。
使用环境
最高环境温度 : +40°C
最高液体温度 : +0°C ~ +90°C
最大工作压力 : 10 kg/cm²
形式编码

马达
保护等级 : IP54
绝缘等级 : F.
频率 : 50 / 60 Hz
额定转速 : 2900 / 3500 rpm
电压范围 : 50Hz : 3Ø 200-255V / 380-440V
60Hz : 3Ø 200-255V / 380-480V
性能曲线

技术参数规格表



在线留言
金年会金字招牌至上是国际知名品牌机械和流体设备的代理商,主要经营台湾捷埃斯水泵、丹麦格兰富水泵、德国威乐水泵、台湾华乐士水泵、美国利佰特提升泵等品牌产品。公司致力于为民用、商用、工业用等众多领域客户提供专业的机械、流体设备和技术咨询服务。高性价比的产品、热情及时的服务,使得金年会金字招牌至上在流体设备领域中成为模范企业,在水处理、环保、暖通、空调、机械等行业赢得的了良好声誉。
扫描手机版
版权所有 金年会金字招牌至上