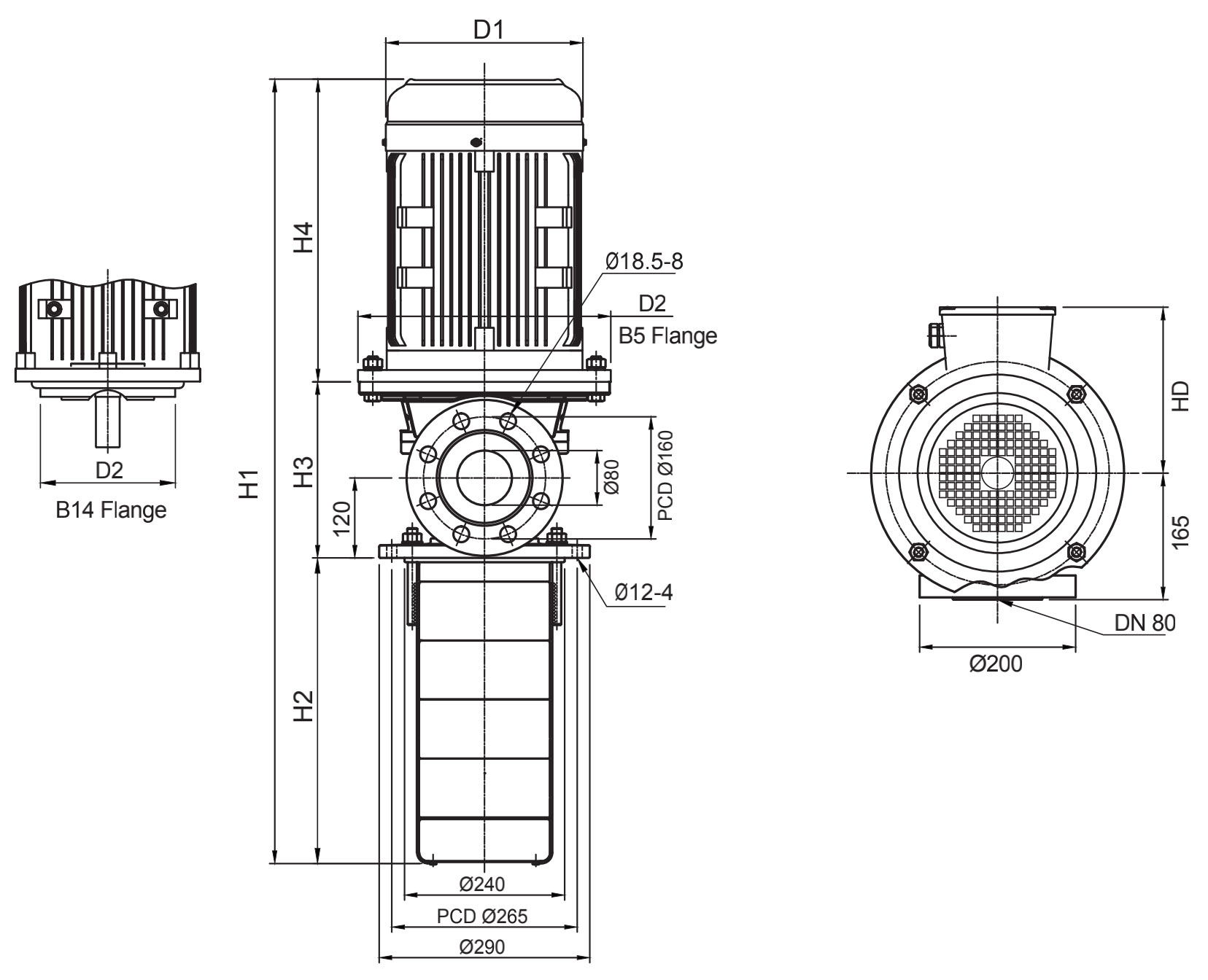
产品特点::
> 1、浸水式设计,安装在水箱顶部,可减少管损及节省空间;
> 2、可提供不同的段数,以满足不同水箱的要求。
> 1、浸水式设计,安装在水箱顶部,可减少管损及节省空间;
> 2、可提供不同的段数,以满足不同水箱的要求。
应用范围
主要专用于工具机之冷却液体加压泵送,适用液体包括水溶液,低黏稠度,无爆炸性轻油,中性之冷却/润滑液。
过滤系统
工业、液体输送和循环
增压、清洗系统
冷却系统,工具机冷却系统
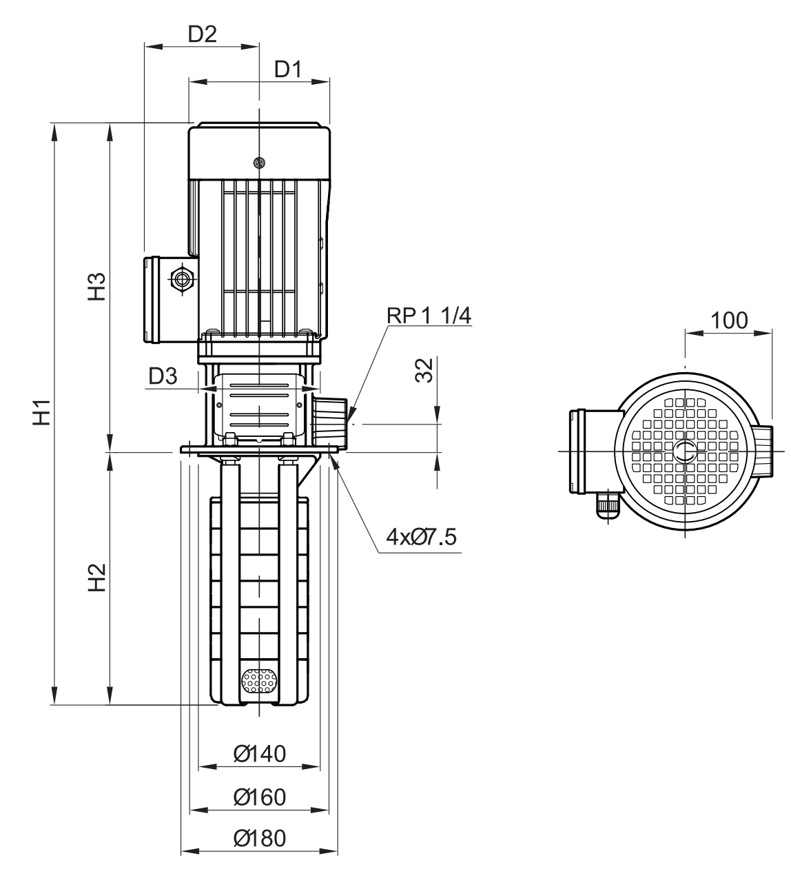
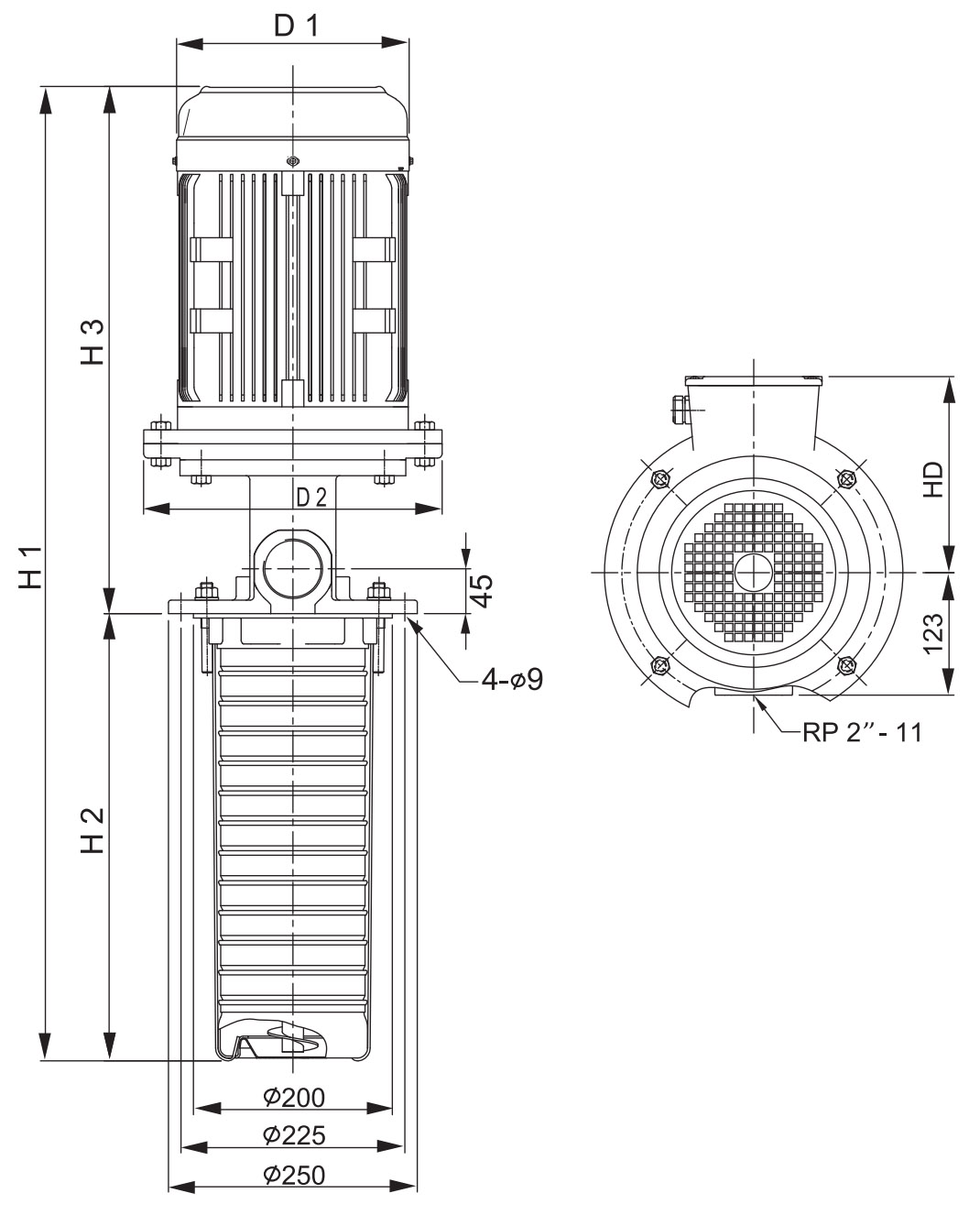
产品特点
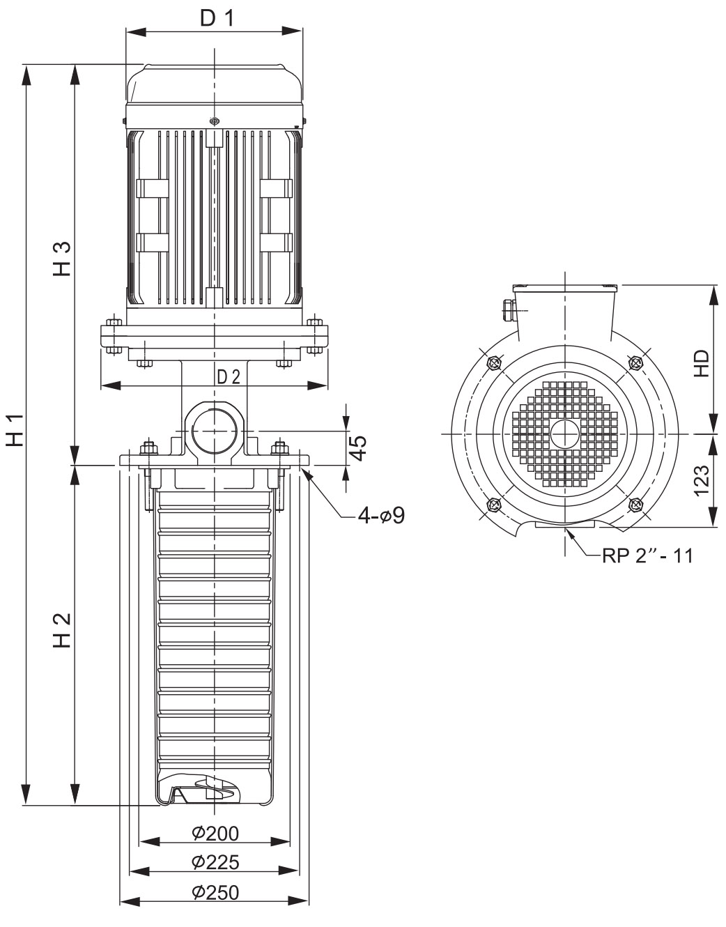
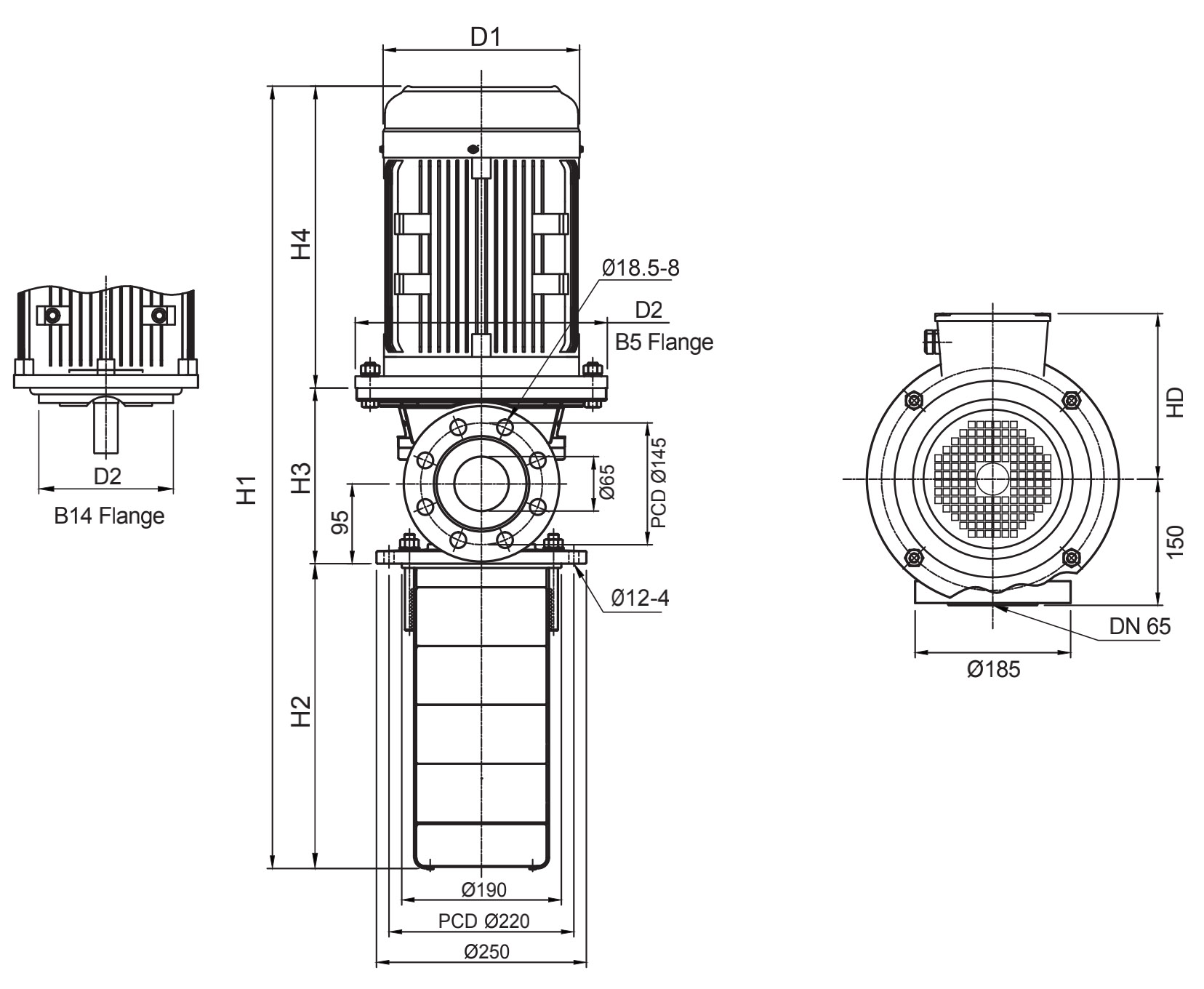
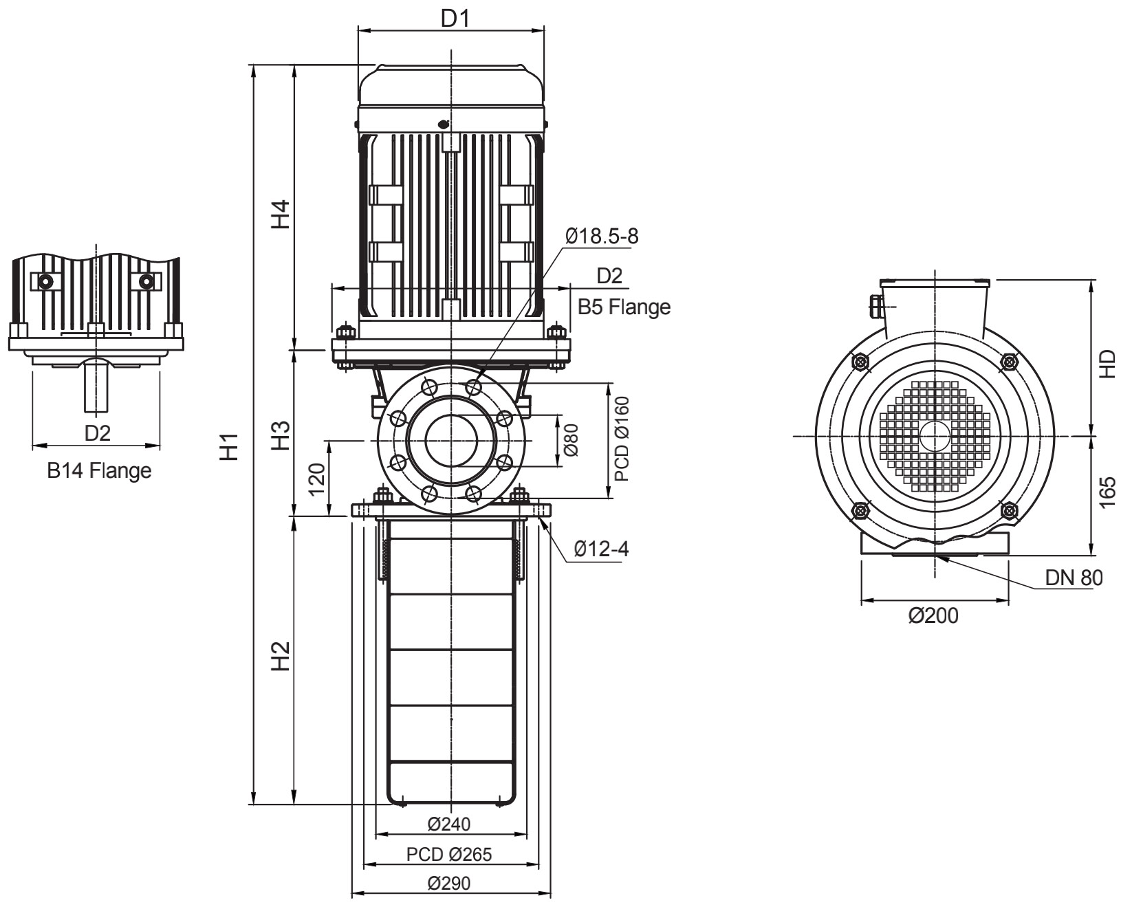
SBK 浸水式多段不锈钢离心泵浦,是针对CNC机床,冷却切屑液、料屑冲刷、主轴冷却等使用需求设计的专用泵浦,泵浦直接安装在水箱顶部,泵体浸泡于液体中可以减少管损及节省空间。该系列泵浦可以提供不同的段数以符合多种使用需求的流量与压力。
运行条件
液体:水溶性,低黏稠度,中性之冷却/润滑液
液体温度范围:0℃~+90℃
最高环境温度:+50℃
性能曲线










页
















在线留言
金年会金字招牌至上是国际知名品牌机械和流体设备的代理商,主要经营台湾捷埃斯水泵、丹麦格兰富水泵、德国威乐水泵、台湾华乐士水泵、美国利佰特提升泵等品牌产品。公司致力于为民用、商用、工业用等众多领域客户提供专业的机械、流体设备和技术咨询服务。高性价比的产品、热情及时的服务,使得金年会金字招牌至上在流体设备领域中成为模范企业,在水处理、环保、暖通、空调、机械等行业赢得的了良好声誉。
扫描手机版
版权所有 金年会金字招牌至上