产品特点::
> 1、100%沉水检测,整机泡水不影响电机;
> 2、轻巧机身,增添方便,无需大规模改建。
> 1、100%沉水检测,整机泡水不影响电机;
> 2、轻巧机身,增添方便,无需大规模改建。
产品特点:
过流介质温度:0-50℃;
整机防护等级:IP68;
100%沉水检测,整机泡水不影响电机;
空气&液位双开关设置,启停双重保障;
全封闭电器元件盒,规避进水风险;
轻巧机身,增添方便,无需大规模改建;
卡扣式上盖设计,无需其它辅助拆卸工具;
一体锻造刀头设计,研磨力道强劲;
蜂窝状除味管路设计,轻松解决异味困扰。
产品应用:
平层、办公楼等建筑卫浴增添或改建;
别墅地下室卫浴污水排除;
酒吧、KTV、地铁、等公共卫生场所卫浴增添或改建
性能曲线
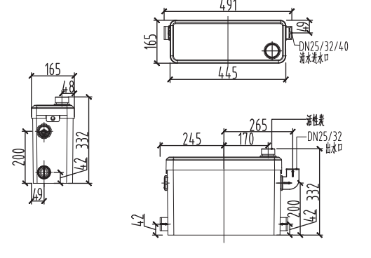
技术参数(产品尺寸)


在线留言
金年会金字招牌至上是国际知名品牌机械和流体设备的代理商,主要经营台湾捷埃斯水泵、丹麦格兰富水泵、德国威乐水泵、台湾华乐士水泵、美国利佰特提升泵等品牌产品。公司致力于为民用、商用、工业用等众多领域客户提供专业的机械、流体设备和技术咨询服务。高性价比的产品、热情及时的服务,使得金年会金字招牌至上在流体设备领域中成为模范企业,在水处理、环保、暖通、空调、机械等行业赢得的了良好声誉。
扫描手机版
版权所有 金年会金字招牌至上