产品特点::
> 1、带轴向吸气口和径向排气口的紧凑型高可靠卧式多级端吸离心泵;
> 2、 与液体接触的泵体材料为不锈钢。
> 1、带轴向吸气口和径向排气口的紧凑型高可靠卧式多级端吸离心泵;
> 2、 与液体接触的泵体材料为不锈钢。
产品特点:
带轴向吸气口和径向排气口的紧凑型高可靠卧式多级端吸离心泵。 与液体接触的泵体材料为不锈钢。 机械轴封是一个特别设计的非平衡 O 型圈密封。 管道的连接是依靠内部的惠氏管道螺纹实现的(Rp (ISO 7/1)。 水泵上安装了一台 3 相位带冷却扇和脚架的异步电动机。
产品应用:
CM和CME泵设计涵盖了很多应用场合,应用范围从
小的家庭供水到大型工业系统。
-些典型的应用情况如下:
清洗和冲洗
水处理
温度控制
增压
性能曲线

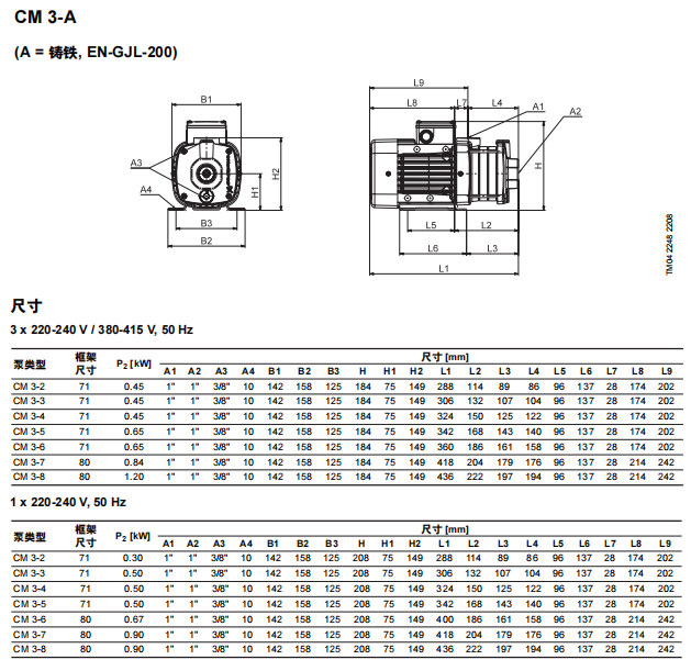
技术参数(产品尺寸)

在线留言
金年会金字招牌至上是国际知名品牌机械和流体设备的代理商,主要经营台湾捷埃斯水泵、丹麦格兰富水泵、德国威乐水泵、台湾华乐士水泵、美国利佰特提升泵等品牌产品。公司致力于为民用、商用、工业用等众多领域客户提供专业的机械、流体设备和技术咨询服务。高性价比的产品、热情及时的服务,使得金年会金字招牌至上在流体设备领域中成为模范企业,在水处理、环保、暖通、空调、机械等行业赢得的了良好声誉。
扫描手机版
版权所有 金年会金字招牌至上