产品特点::
> 1、环保聚乙烯材料,耐腐蚀,全自动运行。
> 2、内置切割型潜污泵,控制器带空转、过载保护等功能。
> 1、环保聚乙烯材料,耐腐蚀,全自动运行。
> 2、内置切割型潜污泵,控制器带空转、过载保护等功能。
产品特点:
耐腐蚀性PE箱体,完全密闭,无异味散发,经久耐用,可在狭小的空间内安装使用。水泵耦合连接、维修便捷,多个进水口,安装方便,内置不锈钢止回阀。内置切割型潜污泵,适用多种复杂环境。控制器特点:水泵空载保护、可设置延时启动/停止,水泵过载保护、高抗干扰性能,高位报警强启、手动/自动切换、自动巡检等功能。
产品应用:
适用于别墅地下室单个卫生间、小型餐饮台盆、商店、加装台盆等。
性能曲线:

技术参数
|
型号 |
功率(kW) |
最大流量(m³/h) |
最高扬程(m) |
最大启动次数(t/h) |
出口口径(DN) |
|
ZLlift100L075S |
0.75 |
16 |
13 |
60 |
50 |
|
ZLlift100L110S |
1.1 |
20 |
14 |
60 |
50 |
|
ZLlift180L075S |
0.75 |
16 |
13 |
60 |
50 |
|
ZLlift180L110S |
1.1 |
20 |
14 |
60 |
50 |
|
ZLlift180L150S |
1.5 |
32 |
18 |
60 |
50 |
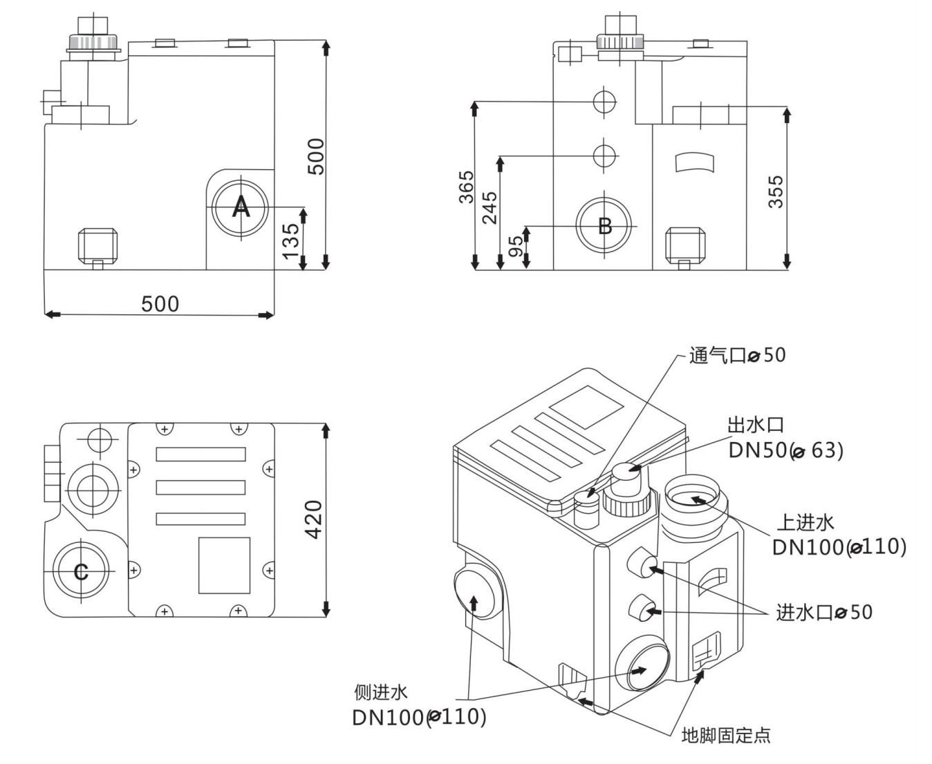
100L箱体尺寸图:

180L箱体尺寸图:

在线留言
金年会金字招牌至上是国际知名品牌机械和流体设备的代理商,主要经营台湾捷埃斯水泵、丹麦格兰富水泵、德国威乐水泵、台湾华乐士水泵、美国利佰特提升泵等品牌产品。公司致力于为民用、商用、工业用等众多领域客户提供专业的机械、流体设备和技术咨询服务。高性价比的产品、热情及时的服务,使得金年会金字招牌至上在流体设备领域中成为模范企业,在水处理、环保、暖通、空调、机械等行业赢得的了良好声誉。
扫描手机版
版权所有 金年会金字招牌至上